

樂(lè)清市鉑盛再生資源有限公司關(guān)于2022年度下半年廢氣監(jiān)測(cè)結(jié)果公示


一、檢測(cè)報(bào)告編號(hào):
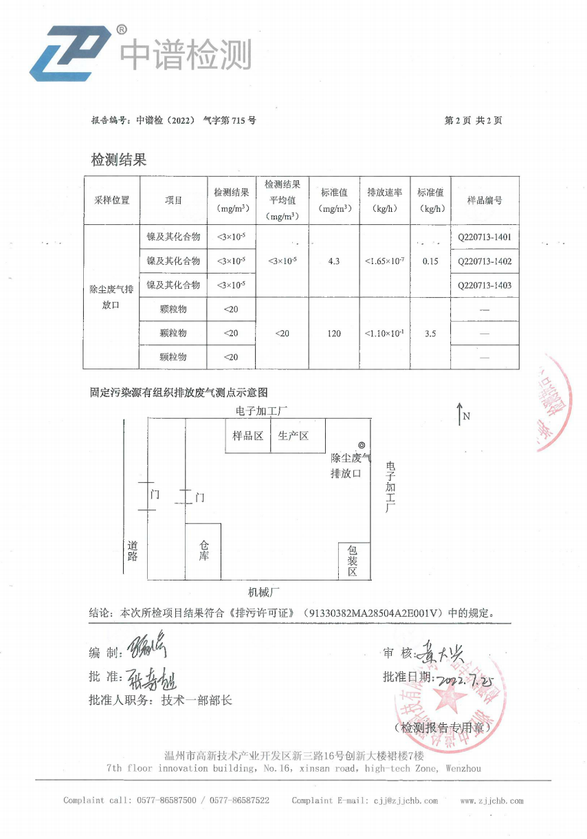
中譜檢(2022)氣字號(hào)第715號(hào)/中譜檢(2022)氣字號(hào)第716號(hào)
二、項(xiàng)目名稱(chēng):
樂(lè)清市鉑盛再生資源2022年度下半年廢氣監(jiān)測(cè)
三、檢測(cè)報(bào)告見(jiàn)附件




一、檢測(cè)報(bào)告編號(hào):
中譜檢(2022)氣字號(hào)第715號(hào)/中譜檢(2022)氣字號(hào)第716號(hào)
二、項(xiàng)目名稱(chēng):
樂(lè)清市鉑盛再生資源2022年度下半年廢氣監(jiān)測(cè)
三、檢測(cè)報(bào)告見(jiàn)附件